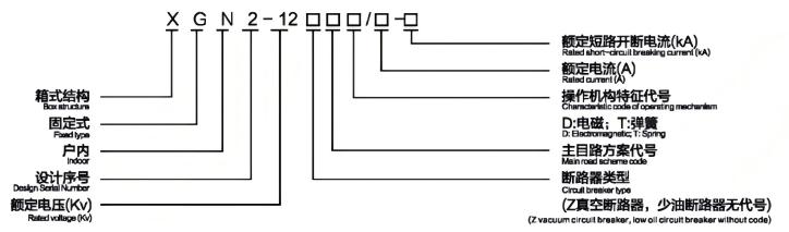
XGN2-12(Z) Контейнерное стационарное металлическое закрытое коммутационное оборудование переменного тока